Резервуарное и насосное оборудование
ОКП 36 8352
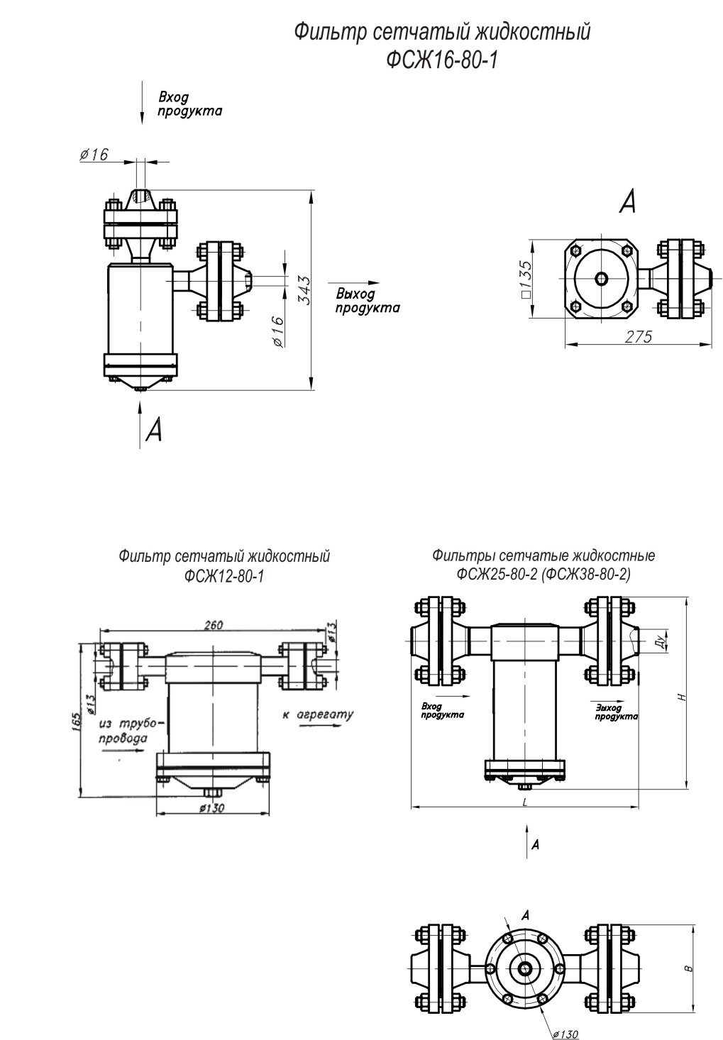
Фильтры сетчатые жидкостные предназначены для установки на всасывающих магистралях дозировочных насосов, установок и агрегатов для очистки от механических примесей перекачиваемых жидкостей.
Применяются в отраслях:
|
Наименование параметров |
||||||||||||||||||
|
Типоразмеры фильтров |
Условный проход Ду, мм |
Тонкость фильтрации, мкм* |
Рабочее давле- ние, МПа |
Произво- дитель- ность, м3/ч |
Присоединительные размеры, мм, не более |
Диаметр крепежного отверстия d, мм |
Количество отверстий n, шт |
Габаритные размеры, мм, не более |
Масса, кг, не более |
|||||||||
|
Резьбовые |
Фланцевые |
Длина L |
Ширина В |
Высота Н |
||||||||||||||
|
На «выходе» / На «входе» |
|
|||||||||||||||||
|
Величина параметров |
||||||||||||||||||
|
ФСЖ6-80-1 |
6 |
80 |
0,3 |
0,01 |
М16/М16 |
– |
– |
– |
90 |
70 |
187 |
1,9 |
||||||
|
ФСЖ6-80-1.1 |
6 |
80 |
0,3 |
0,01 |
М18/М14 |
– |
– |
– |
90 |
70 |
134 |
1,6 |
||||||
|
ФСЖ6-80-1.2 |
6 |
80 |
0,3 |
0,01 |
М16/М16 |
– |
– |
– |
110 |
70 |
172 |
2,32 |
||||||
|
ФСЖ6-80-1.3 |
6 |
80 |
0,3 |
0,01 |
М16/М16 |
– |
– |
– |
126 |
70 |
133 |
2,2 |
||||||
|
ФСЖ6-80-1.4 |
6 |
80 |
0,3 |
0,01 |
G3/8/М16 |
– |
– |
– |
98 |
90 |
137 |
2,1 |
||||||
|
ФСЖ6-80-1.6 |
6 |
80 |
0,05 |
0,0005 |
М16/М16 |
– |
– |
– |
225 |
174 |
205 |
7,9 |
||||||
|
ФСЖ8-80-4 |
8 |
80 |
0,3 |
0,2 |
М18/М18 |
– |
– |
– |
175 |
130 |
315 |
7,9 |
||||||
|
ФСЖ10-80-2 |
10 |
80 |
0,3 |
0,03 |
М22/М22 |
– |
– |
– |
175 |
130 |
226 |
6,65 |
||||||
|
ФСЖ12-80-1 |
12 |
80 |
0,3 |
0,05 |
– |
65/48 |
9 |
4 |
240 |
130 |
165 |
8,33 |
||||||
|
ФСЖ15-80-1 |
15 |
80 |
0,3 |
0,1 |
М27/М27 |
– |
– |
4 |
90 |
70 |
175 |
2,0 |
||||||
|
ФСЖ15-80-1.1 |
15 |
80 |
0,3 |
0,1 |
М27/М27 |
– |
– |
4 |
128 |
70 |
188 |
2,1 |
||||||
|
ФСЖ15-80-1.4 |
15 |
80 |
0,3 |
0,06 |
– |
80/55 |
11 |
4 |
185 |
140 |
326 |
8,0 |
||||||
|
ФСЖ15-80-3 |
15 |
80 |
0,3 |
0,01 |
М27/М27 |
– |
– |
4 |
130 |
95 |
230 |
1,8 |
||||||
|
ФСЖ15-80-3.1 |
15 |
80 |
0,3 |
0,5 |
М27/М27 |
– |
– |
4 |
326 |
140 |
276 |
13,3 |
||||||
|
ФСЖ15-80-3.3 |
15 |
80 |
0,3 |
1 |
М27/М27 |
– |
– |
4 |
312 |
256 |
354 |
11,5 |
||||||
|
ФСЖ16-80-1 |
16 |
80 |
1,6 |
0,83 |
– |
135/100 |
18 |
4 |
274 |
135 |
343 |
21,9 |
||||||
|
ФСЖ16-80-1.1 |
16 |
80 |
0,1 |
0,5 |
– |
80/55 |
11 |
4 |
330 |
270 |
630 |
26,5 |
||||||
|
ФСЖ20-80-1.1 |
20 |
80 |
0,6 |
0,6 |
– |
90/65 |
11 |
4 |
380 |
270 |
590 |
23,4 |
||||||
|
ФСЖ20-80-1.3 |
20 |
80 |
0,3 |
0,1 |
– |
90/65 |
11 |
4 |
380 |
140 |
351 |
9,0 |
||||||
|
ФСЖ20-80-1.4 |
20 |
80 |
1,0 |
0,1 |
– |
105/75 |
14 |
4 |
380 |
140 |
368 |
11,9 |
||||||
|
ФСЖ20-80-1.5 |
20 |
80 |
1,0 |
0,1 |
– |
105/75 |
14 |
4 |
380 |
140 |
405 |
15,0 |
||||||
|
ФСЖ20-80-3.1 |
20 |
80 |
0,3 |
0,1 |
М33/М33 |
– |
– |
– |
326 |
140 |
280 |
13,3 |
||||||
|
ФСЖ25-80-1.1 |
25 |
80 |
1,2 |
0,18 |
М48/М33 |
– |
– |
– |
325 |
280 |
470 |
29,5 |
||||||
|
ФСЖ25-80-1.2 |
25 |
80 |
1,2 |
0,18 |
М33/М33 |
– |
– |
– |
325 |
280 |
460 |
29,3 |
||||||
|
ФСЖ25-80-1.4 |
25 |
80 |
0,3 |
1,0 |
– |
135/100 |
18 |
4 |
414 |
135 |
311 |
19,0 |
||||||
|
ФСЖ25-80-1.5 |
25 |
80 |
0,3 |
0,15 |
– |
115/85 |
14 |
4 |
345 |
140 |
374 |
12,0 |
||||||
|
ФСЖ25-80-1.6 |
25 |
80 |
0,02 |
0,01 |
М39/М39 |
– |
– |
– |
256 |
140 |
374 |
9,0 |
||||||
|
ФСЖ25-80-2 |
25 |
80 |
0,3 |
1,0 |
– |
135/110 |
18 |
4 |
414 |
135 |
311 |
19,0 |
||||||
|
ФСЖ25-80-3.2 |
25 |
80 |
0,3 |
1,0 |
М39/М39 |
– |
– |
– |
255 |
140 |
276 |
14,0 |
||||||
|
ФСЖ25-80-3.3 |
25 |
80 |
0,3 |
2,0 |
М39/М39 |
– |
– |
– |
255 |
260 |
354 |
12,0 |
||||||
|
ФСЖ25-80-3.4 |
25 |
80 |
0,3 |
2,0 |
– |
115/85 |
14 |
4 |
346 |
200 |
375 |
16,0 |
||||||
|
ФСЖ25-80-3.6 |
25 |
80 |
0,3 |
6,0 |
М39/М39 |
– |
– |
– |
358 |
325 |
658 |
41,0 |
||||||
|
ФСЖ32-200-1 |
32 |
200 |
0,5 |
6,0 |
– |
115/85 |
14 |
4 |
358 |
325 |
658 |
41,0 |
||||||
|
ФСЖ32-200-3 |
32 |
200 |
0,5 |
6,0 |
– |
115/85 |
14 |
4 |
400 |
325 |
658 |
50,0 |
||||||
|
ФСЖ38-80-2 |
38 |
80 |
0,3 |
3,0 |
– |
145/110 |
18 |
4 |
374 |
145 |
322 |
18,0 |
||||||
|
ФСЖ40-80-1 |
40 |
80 |
0,6 |
6,0 |
– |
145/110 |
18 |
4 |
370 |
365 |
614 |
46,0 |
||||||
|
ФСЖ40-80-1.1 |
40 |
80 |
2,5 |
6,0 |
– |
145/110 |
18 |
4 |
420 |
360 |
715 |
77,0 |
||||||
|
ФСЖ40-80-1.2 |
40 |
80 |
0,3 |
7,5 |
– |
145/110 |
18 |
4 |
386 |
325 |
694 |
49,0 |
||||||
|
ФСЖ40-80-3 |
40 |
80 |
0,3 |
4,0 |
– |
145/110 |
18 |
4 |
386 |
250 |
457 |
47,0 |
||||||
|
ФСЖ50-50-3 |
50 |
50 |
0,3 |
8,0 |
– |
140/110 |
14 |
4 |
370 |
288 |
794 |
43,0 |
||||||
|
ФСЖ50-80-1 |
50 |
80 |
0,15 |
5,0 |
– |
140/110 |
14 |
4 |
440 |
288 |
713 |
36,0 |
||||||
|
ФСЖ50-80-1.1 |
50 |
80 |
0,1 |
5,0 |
– |
140/110 |
14 |
4 |
350 |
326 |
748 |
33,0 |
||||||
|
ФСЖ50-80-1.2 |
50 |
80 |
0,12 |
7,2 |
– |
140/110 |
14 |
4 |
350 |
326 |
745 |
35,0 |
||||||
|
ФСЖ50-80-1.3 |
50 |
80 |
0,2 |
10,0 |
– |
160/125 |
18 |
4 |
437 |
403 |
638 |
67,0 |
||||||
|
ФСЖ50-80-1.5 |
50 |
80 |
0,02 |
2,0 |
– |
140/100 |
14 |
4 |
370 |
303 |
828 |
37,0 |
||||||
|
ФСЖ50-200-1 |
50 |
200 |
0,1 |
6,3 |
– |
140/100 |
14 |
4 |
520 |
290 |
715 |
36,0 |
||||||
|
ФСЖ50-80-3 |
50 |
80 |
0,3 |
1,0 |
– |
195/145 |
24 |
4 |
320 |
240 |
370 |
43,0 |
||||||
|
ФСЖ50-80-3.1 |
50 |
80 |
0,1 |
0,6 |
– |
140/110 |
14 |
4 |
350 |
270 |
700 |
26,0 |
||||||
|
ФСЖ50-80-3.2 |
50 |
80 |
0,1 |
0,21 |
– |
140/110 |
14 |
4 |
350 |
170 |
343 |
14,6 |
||||||
|
ФСЖ50-80-3.4 |
50 |
80 |
0,1 |
0,6 |
– |
140/110 |
14 |
4 |
414 |
200 |
693 |
78,0 |
||||||
|
ФСЖ80-80-1 |
80 |
80 |
0,2 |
6,0 |
– |
185/150 |
18 |
4 |
474 |
390 |
1087 |
78,0 |
||||||
|
ФСЖ80-80-1.1 |
80 |
80 |
0,3 |
10,0 |
– |
185/150 |
18 |
4 |
474 |
390 |
1087 |
77,0 |
||||||
|
ФСЖ80-80-1.2 |
80 |
80 |
0,3 |
10,0 |
– |
185/150 |
18 |
4 |
463 |
472 |
1087 |
77,0 |
||||||
|
ФСЖ80-80-1.3 |
80 |
80 |
1,0 |
100 |
– |
195/160 |
18 |
4 |
746 |
615 |
1472 |
199 |
||||||
|
ФСЖ80-80-1.4 |
80 |
80 |
0,02 |
24,0 |
– |
185/150 |
18 |
4 |
475 |
390 |
1195 |
78,0 |
||||||
|
ФСЖ80-80-1.5 |
80 |
80 |
0,1 |
4,0 |
– |
185/150 |
18 |
4 |
475 |
390 |
1195 |
78,0 |
||||||
|
ФСЖ80-80-1.6 |
80 |
80 |
1,6 |
11 |
– |
195/160 |
18 |
4 |
746 |
615 |
1472 |
265 |
||||||
|
ФСЖ80-80-1.7 |
80 |
80 |
0,6 |
12,5 |
– |
185/150 |
18 |
4 |
474 |
390 |
1087 |
80,0 |
||||||
|
ФСЖ80-80-3 |
80 |
80 |
0,4 |
5,0 |
– |
185/150 |
18 |
4 |
780 |
614 |
1487 |
172 |
||||||
|
ФСЖ80-200-1 |
80 |
200 |
0,2 |
7,0 |
– |
185/150 |
18 |
4 |
474 |
390 |
836 |
70,0 |
||||||
|
ФСЖ80-200-3 |
80 |
200 |
0,1 |
18,0 |
– |
185/150 |
18 |
4 |
600 |
435 |
780 |
75,0 |
||||||
|
ФСЖ100-80-1.1 |
100 |
80 |
0,1 |
32,0 |
– |
205/170 |
18 |
4 |
644 |
590 |
1335 |
153 |
||||||
|
ФСЖ100-80-1.2 |
100 |
80 |
0,12 |
35,0 |
– |
205/170 |
18 |
4 |
474 |
390 |
850 |
70 |
||||||
|
ФСЖ100-80-1.3 |
100 |
80 |
0,6 |
25,0 |
– |
205/170 |
|
|
780 |
590 |
1398 |
214 |
||||||
|
ФСЖ100-200-3 |
100 |
200 |
1,0 |
25,0 |
– |
215/180 |
|
8 |
778 |
615 |
1255 |
204,0 |
||||||
|
|
100 |
200 |
0,4 |
80,0 |
– |
215/180 |
|
|
886 |
790 |
1795 |
396,0 |
||||||
|
ФСЖ125-80-1 |
125 |
80 |
0,6 |
60,0 |
– |
235/200 |
18 |
8 |
872 |
790 |
1795 |
390,0 |
||||||
|
|
125 |
3500 |
0,6 |
11,0 |
– |
235/200 |
|
|
795 |
785 |
1345 |
350,0 |
||||||
|
|
125 |
3500 |
0,6 |
20,0 |
– |
235/200 |
|
|
795 |
785 |
1545 |
390,0 |
||||||
|
ФСЖ150-40-1 |
150 |
40 |
1,6 |
45 |
– |
280/240 |
22 |
8 |
746 |
640 |
1492 |
302 |
||||||
|
ФСЖ150-80-1 |
150 |
80 |
0,1 |
100 |
– |
260/225 |
18 |
|
750 |
590 |
1487 |
173 |
||||||
|
ФСЖ150-80-1.1 |
150 |
80 |
0,1 |
65 |
– |
260/225 |
|
|
750 |
590 |
1487 |
167 |
||||||
|
ФСЖ150-80-1.3 |
150 |
80 |
0,7 |
80 |
– |
280/240 |
22 |
|
746 |
615 |
1487 |
229 |
||||||
|
ФСЖ150-200-1 |
150 |
200 |
4 |
100 |
– |
300/250 |
26 |
12 |
1025 |
925 |
2240 |
1351 |
||||||
|
ФСЖ150-3500-1 |
150 |
3500 |
0,6 |
150 |
– |
260/225 |
18 |
8 |
795 |
785 |
1545 |
395 |
||||||
|
ФСЖ200-80-1 |
200 |
80 |
4 |
150 |
– |
405/345 |
33 |
12 |
1132 |
925 |
1173 |
1303 |
||||||
|
ФСЖ200-80-1.1 |
200 |
80 |
0,12 |
37,5 |
– |
315/280 |
18 |
8 |
750 |
590 |
1612 |
180 |
||||||
|
ФСЖ200-4000-1 |
200 |
4000 |
0,6 |
150 |
– |
335/295 |
22 |
12 |
1000 |
840 |
1708 |
604 |
||||||
|
ФСЖ250-80-1.1 |
250 |
80 |
1,0 |
300 |
– |
405/355 |
26 |
12 |
1300 |
975 |
2050 |
900 |
||||||
|
ФСЖ300-80-1 |
300 |
80 |
0,12 |
210 |
– |
435/395 |
22 |
12 |
1000 |
755 |
2068 |
400 |
||||||
|
ФСЖ300-200-1 |
300 |
200 |
1,2 |
80 |
– |
460/410 |
26 |
|
886 |
640 |
2190 |
514 |
||||||




