Резервуарное и насосное оборудование
ОКП 36 8352
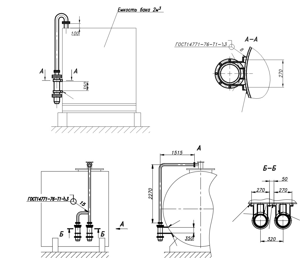
Фильтр воздухоосушительный предназначен для осушки воздуха, находящегося в резервуаре над уровнем масла, с температурой рабочей среды от -40оС до +65оС на открытых складах масла для электроподстанций мощностью 110 кВ и выше.
Фильтр состоит из двух цилиндров: большого (верхнего) и малого (нижнего), соединенных между собой фланцами. В большом цилиндре находится силикагель (поглотитель влаги), в нижнем – масло (масляный фильтр).
Воздух, попадающий из атмосферы через две трубки, вваренные в днище малого цилиндра, проходит через масляный фильтр с лавсановой мононитью, где очищается от механических примесей и влаги, затем воздух через частую латунную сетку попадает в большой цилиндр с силикагелем поглотителем влаги (служит и для сушки воздуха в резервуаре).
|
Наименование параметров |
ФВ2 |
ФВ75 |
ФВ100 |
|
Условный проход, Ду, мм |
40 |
50 |
100 |
|
Емкость фильтра (силикагеля), кг |
8,5 |
||
|
Емкость бака (резервуара) масла, м3 |
2;12 |
50;75;100 |
100;150 |
|
Количество фильтров, шт. |
1 |
2 |
|
|
Габаритные размеры, мм, не более |
|
||
|
Диаметр |
290 |
290 |
290 |
|
Межцентровое расстояние Д1 |
100 |
110 |
170 |
|
Высота |
780 |
780 |
780 |
|
Наличие огнепреградителя |
- |
- |
Да |
|
Масса, кг, не более |
33 |
33 |
33 |

