Наш Каталог

Резервуарное и насосное оборудование

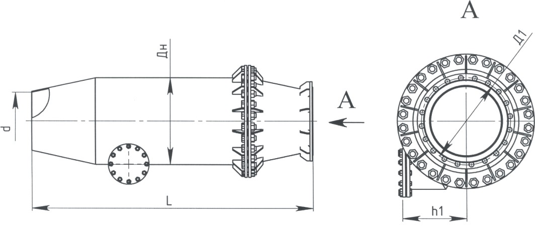
Грязевики горизонтальные типа ТС

ОКП 49 9100 

Грязевики предназначены для фильтрации или очистки воды от крупных и средних взвешенных частиц в трубопроводах тепловых сетей Ду 500 … 800 мм с параметрами Ру 2,5МПа (25кгс/см2) и t 200°С   

Пример условного обозначения при заказе: 
ТС-566.01 ТУ 4991-055-00217633-2006, где: 
ТС-566 – грязевик горизонтальный; 
1 – условное обозначение Ду. 

Дополнительная иформация

ТЕХНИЧЕСКИЕ ХАРАКТЕРИСТИКИ:

 

Обозначение

Условный проход, Ду, мм

Размеры в мм

 

Масса, кг

d

Dh

D1

L

H1

ТС-566

500

514

820

66

2870

515

1243

ТС-566.01

600

610

920

770

2980

550

1540

ТС-566.02

700

698

1020

875

3220

605

2057

ТС-566.03

800

798

1220

990

3780

675

2867


ГАБАРИТНЫЕ И УСТАНОВОЧНЫЕ РАЗМЕРЫ

ЧЕРТЕЖ: