Наш Каталог

Резервуарное и насосное оборудование

Краны сифонные КС

ОКП 36 8913

Краны сифонные являются комплектующими изделиями вертикальных цилиндрических резервуаров для хранения и раздачи нефти и нефтепродуктов и предназначены для слива из них подтоварной воды. 
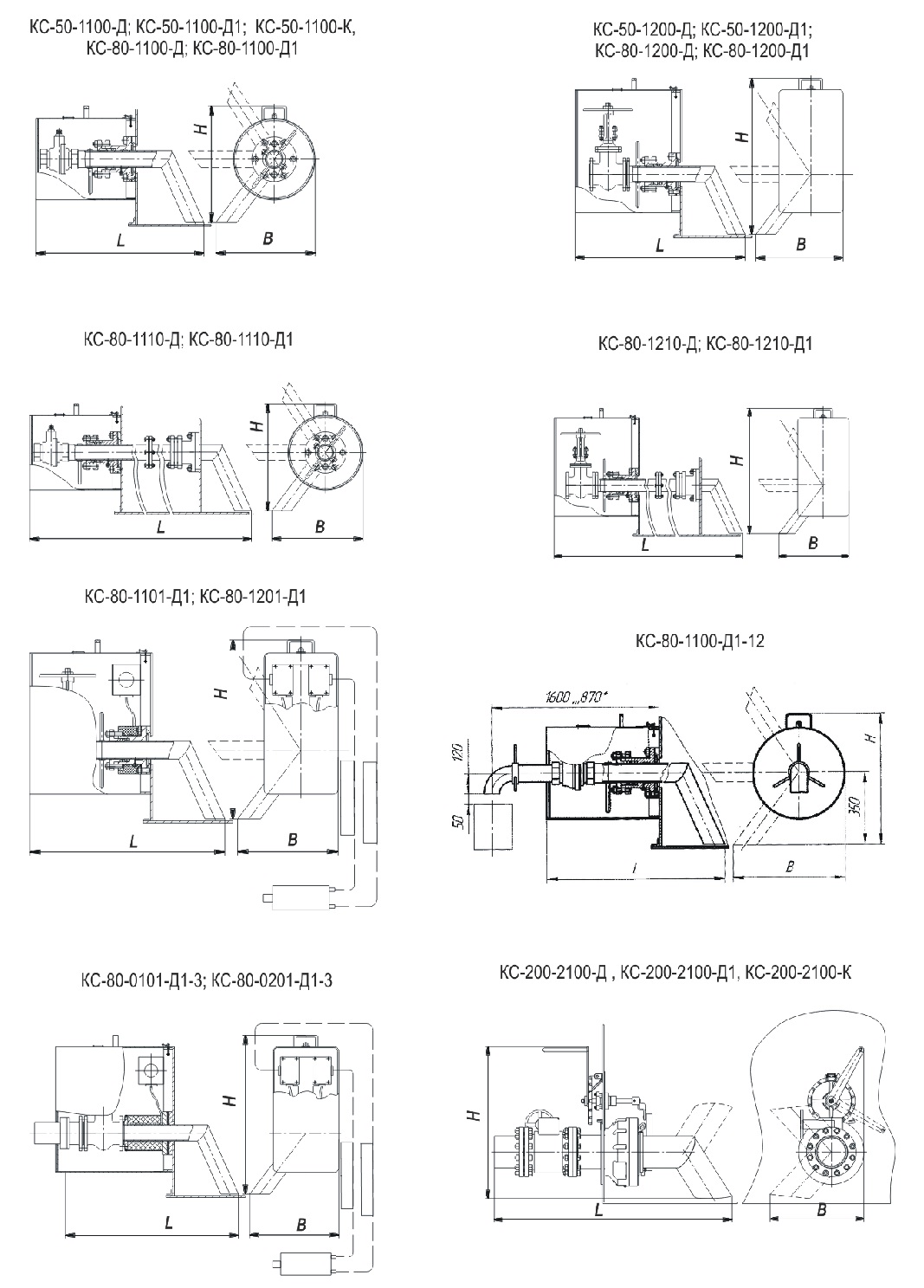
Конструкция состоит из крана шарового (1) или задвижки клиновой, изогнутого патрубка (2), ручки для поворота патрубка в нужное положение (3), фланцев (4), привариваемых к наружным стенкам резервуара (5) с предварительно вырезанным отверстием диаметром d в резервуаре, сальника (6). 

Для резервуаров с защитной стенкой выпускается кран сифонный КС-80 СС, комплектующийся компенсатором линейных перемещений (7), устанавливаемым в межстенном пространстве резервуара. Кран сифонный в исполнении: КС-80 УО комплектуется устройством обогрева кожуха (8) для безотказного использования в зимний период. 
Краны выпускаются в климатическом исполнении Т, У и УХЛ категории размещения 1 по ГОСТ 15150-69.

Дополнительная иформация
Пример условного обозначения при заказе:
- кран сифонный, Ду=80, поворотный трубопровод, с шаровым краном, для резервуара без защитной стенки, с устройством обогрева, из стали 09Г2С, укомплектован поворотным узлом, прокладкой из терморасширенного графита, в климатическом исполнении УХЛ категории размещения 1:
КС-80-1100-Д1-12-УХЛ1 ТУ 3689-008-00217633-97;
То же, трубопровод стационарный, с шаровым краном, для резервуара без защитной стенки, с устройством обогрева, из стали 09Г2С,
укомплектованным сливной муфтой, в климатическом исполнении УХЛ категории размещения 1:
      
КС-80-0101-Д1-3-УХЛ1  ТУ 3689-008-00217633-97,

ТЕХНИЧЕСКИЕ ХАРАКТЕРИСТИКИ:
 
 
 
Типоразмеры

 


Условный проход, мм

Рабочее давление, МПа
  <td "="" colspan="3">

Габаритные размеры, мм не более

Масса, кг

Длина L 

Ширина B

Высота H  

КС-50-1100-Д

50

 

860

482

590

46

КС-50-1100-Д1

КС-50-1100-К

КС-50-1100-Д1-3

50

КС-50-1200-Д

1028

436

786

61

КС-50-1200-Д1

КС-50-1200-Д1-3

65

КС-80-1100-Д

80

0,25

970

510

590

65

КС-80-1100-Д1

КС-80-1100-К

КС-80-1100-Д1-3

68
КС-80-1100-Д1-12

70

КС-80-2100-Д

1013

513

897

100

КС-80-2100-Д1

КС-80-1200-Д

1055

465

705

102

КС-80-1200-Д1

КС-80-2100-Д1-3

105

КС-80-1110-Д

3220*

430

590

120*

КС-80-1110-Д1

КС-80-1210-Д

3500*

465

705

160*

КС-80-1210-Д1

КС-80-1101-Д1

1070

470

830

65

КС-80-1201-Д1

102

КС-80-0101-Д1-3

1195

360

880

98

КС-80-0201-Д1-3

112

КС-200-2100-Д

200

 

1600

1033

610

460

КС-200-2100-Д1
КС-200-2100-К






   
* Длина L и масса уточняются при заказе. 
 
 

Наименование параметров

Типоразмеры

  КС-80-1201-Д1      КС-80-1101-Д1     КС-80-0101-Д1-3     КС-80-0201-Д1-3  
Температура нагревательной ленты
устройства обогрева,С
Не менее
Не более


+60
+65

Напряжение питания
устройства обогрева,В 
220
Частота, Гц 50
Потребляемая мощность
(при температуре окружающей
среды -65С), Вт)
300
Потребляемый ток, А 1,35
Сопротивление цепи заземления, Ом, не более 0,1
Сопротивление изоляции между проводами
нагревательной ленты и экраном,
М Ом, не более
20




 
ЧЕРТЕЖ: